AFD100感光式火焰探測器
- 產品名稱:AFD100感光式火焰探測器
適用范圍:需要在線測量火焰場合
配接產品:聯動系統、控制柜
產品簡介:基于雙紅外、紫外復合型感光型探測器;適用于釀酒廠、公路隧道、印染廠油庫、飛機庫、化工設備場所、液化氣站、電站等火災萌發時無陰燃或較較少陰燃階段

產品詳情
| 名稱:火焰探測器 檢測原理:感光式 光譜范圍:UV:185~260nm/IR1:4.3μm/IR2:3.95μm 玻璃材質:藍寶石 | 防爆等級:Ex db ⅡC T6 Gb/Ex tb ⅢC T80℃ Db 防護等級:IP67 響應時間:<5s 工作溫度:-10℃~+55℃ |
|

產品應用
| 1、化工設備場所、液化氣站 4、石化、煉油廠、油庫、管線 | 2、換流站、變壓器站、風力發電設備、電站 5、市政地下管廊文化財產建筑 | 3、釀酒廠、印染廠、制酒廠 6、交通 公路隧道地鐵機場 |

檢測原理
AFD100物質燃燒產生煙霧并釋放熱量的同時,也產生可見或不可見的輻射。在特定波長、特定頻率下,物質燃燒具有典型特征,有別于其他干擾輻射。感光式火焰探測器通過檢測火焰輻射出的特殊波長紫外線、紅外線,同時配合對火焰特征頻率的識別,來探測火焰。

產品特點
選用兩個紅外傳感器一個紫外傳感器快速響應,更加安全可靠
標準電氣接口支持外接聲光報警器
內置火警、故障、輔助三個開關量可實現多級連鎖
不銹鋼+鋁合金材質,整表防護等級達IP67,可適用于環境惡劣工況
多種信號可選支持客戶不同需求
高亮環形LED狀態指示燈照度不足環境下清晰可見


AFD100火焰探測器基本參數 |
檢測對象 | 碳氫(有機物)火焰 |
檢測原理 | 感光式 |
光譜范圍 | UV:185~260nm | IR1:4.3μm | IR2:3.95μm |
響應時間 | <5s |
視角范圍 | 120° |
防爆等級 | Ex db ⅡC T6 Gb | Ex tb ⅢC T80℃ Db |
防護等級 | IP67 |
靈敏度等級 | Ⅰ級 |
報警延時 | 0s(0~30s可調) |
工作溫度 | -10℃~+55℃ |
工作濕度 | 0~95%RH(無凝結) |
儲存溫度 | -40℃~+85℃ |
供電電源 | 24V DC(18~30V DC) |
工作電流 | 監視狀態<35mA | 報警狀態<90mA |
輸出信號 | 4-20mA | RS485 Modbus RTU |
指示燈狀態 | 綠色——運行 | 紅色——報警 | 黃色——故障 |
繼電器輸出 | 3組無源繼電器 |
殼體材質 | ADC12鋁合金+316L不銹鋼 |
玻璃材質 | 藍寶石 |
螺紋接口 | NPT1/2 |
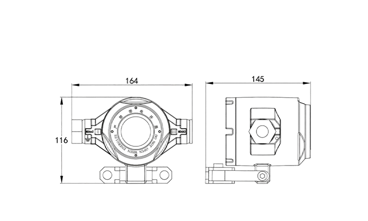
整體尺寸 | 164mm×145mm×116mm(含接頭) |
整機重量 | ≤1kg |


|
24小時值班熱線 |  | 400-025-9821 |
QQ |  | 927962107 |
固定電話 |  | 025-66095359 / 87787361 |
售后電話 |  | 18936877117 |
手機號碼 |  | 17705175021 |
電子郵箱 |  | 927962107@qq.com |
Overseas Sales |  | jacky@autequ.com |
傳真 |  | 025-87787362 |
廠址 |  | 南京市江寧區吉印大道3118號12棟1-3層(江寧開發區) |
氣體檢測分析儀,粉塵檢測儀,氣體檢測報警儀,氧含量分析儀,氧分析儀,氧氣分析儀